高速公路交通工程及沿线设施初步设计方...

方案简介 (1)加强全线道路监控和交通事件自动检测手段,及时发现交通异常,迅速排除并恢复 正常交通,并预防二次事故的发生; (2)减少因设置收费站引起的交通延误,最大限度阻塞收费系统人为财务漏洞; (3)完善高速公路运营管理体制及必要的服务设施,为车辆和道路使用者提供快速、便 捷、有效的服务; (4)以通车后的经济运营为指导原则,在满足功能要求的前提下降低后期运营费用,实 现节能运转。 (5)充分利用建设中的临时工程设施,实现永临结合,降低建设费用。 (6)保证与现有其它相关道路交通工程系统的互联性,为全路联网及整个北京市联网奠 定基础。

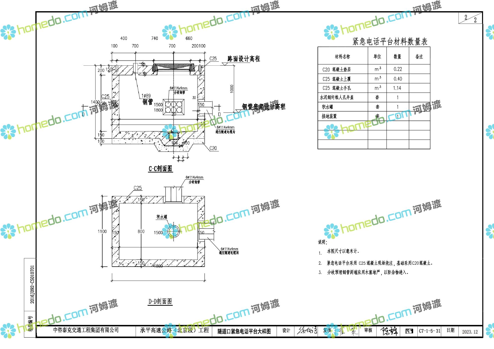
建筑业态: 交通建筑
系统属性: 总体解决方案

本方案为付费方案,可免费预览全部内容,仅需¥50元,即可下载(无水印版)完整方案资料

  • 下载附件
  • 附件预览
  • 评论互动
评论互动
{{commentContent.length}}/140
发布评论
匿名评论 {{item.userAccount}}

{{item.content}}

{{item.replyPerson}}

{{item.replyContent}}

在线客服

南京伯弈

方案下载收益排行

我要上传
  • 01
    技术宅

    ¥22440

  • 02
    l13403415738

    ¥17334.58

  • 03
    阿飞的小蝴蝶

    ¥17109.65

  • 04
    黎蓉

    ¥14673.5

  • 05
    godgodwin

    ¥11888.81

  • 06
    高工

    ¥10783

  • 07
    wangpeigang

    ¥10011.09

  • 08
    太鼓达人

    ¥8954.99

  • 09
    伟江湖行

    ¥8931.57

  • 10
    keventong

    ¥7926.31

尊重知识产权 尊重专业成果 付费下载方案

本方案为付费方案,可免费预览全部内容,仅需元,即可下载(无水印版)完整方案资料

结算信息

使用河币(1河币=1元)
可使用河币

方案定制化需求

方案定制化需求涉及到服务费用,费用多少由项目规模、系统复杂程度及所输出的成功有关,需与方案提供者协商确定

取消 提交